聯系電話:
4006-181-398

主要材質:不銹鋼、碳鋼
公稱通徑:DN80~600mm
公稱壓力:PN1.0MPa
適用溫度:<80℃
適用介質:煤氣、水、油品、蒸汽等
產品概述
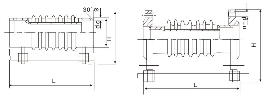
金屬波紋補償器又叫膨脹節,或伸縮節。由構成其工作主體的波紋管(一種彈性元件)和端管、支架、法蘭、導管等附件組成。屬于一種補償元件。利用其工作主體波紋管的有效伸縮變形,以吸收管線、導管、容器等由熱脹冷縮等原因而產生的尺寸變化,或補償管線、導管、容器等的軸向、橫向和角向位移。也可用于降噪減振。
產品特點
膨脹節由一個波紋管和兩個接管構成,它通過波紋管的柔性變形來吸收軸向位移(也有少量的橫向、角向位移),有接管聯接和法蘭聯接兩種形式。膨脹節上的小拉桿主要是運輸過程中的剛性支撐或作為產品預變形時調節尺寸用,不是承力件。該類膨脹節不能約束管道的壓力推力,壓力推力有兩側主固定管架承受。
波紋補償器標準編號:GB/T12777-1999
|
DN |
產品型號 |
計算疲勞破壞次數下軸向補償器X0mm |
補償器 |
剛度 |
有效面積Ac㎡ |
徑向最大外形尺寸Hmm |
接管端口尺寸 |
L |
WT(kg) |
|||||||
|
橫向Yo mm |
角向Yθ 度 |
軸向 Kx N/mm |
橫向Yy N/mm |
角向Yθ NxM/度 |
||||||||||||
|
1500 |
1300 |
1500 |
法蘭連接 |
法蘭 |
按管 |
法蘭 |
按管 |
|||||||||
|
80 |
1/0YSTA80 x 8J/F |
30 |
25 |
18 |
6.4 |
±6.4 |
358 |
418 |
8.4 |
81 |
284 |
Φ890x4 |
244 |
344 |
10 |
3 |
|
1.0STA80x10J/F |
37 |
32 |
22 |
10 |
±8 |
286 |
214 |
6.7 |
274 |
374 |
10 |
3 |
||||
|
100 |
1.0YSTA100x6J/F |
33 |
28 |
20 |
3.6 |
±3.6 |
417 |
1471 |
14 |
121 |
304 |
Φ108x4 |
223 |
323 |
11 |
3 |
|
1.0YSTA100x10J/F |
56 |
47 |
33 |
10 |
±8 |
250 |
318 |
8.5 |
287 |
387 |
13 |
5 |
||||
|
125 |
1.0YSTA125x5J/F |
36 |
32 |
21 |
2.5 |
±4.4 |
408 |
2885 |
21 |
180 |
334 |
Φ133x4 |
216 |
318 |
13 |
4 |
|
1.0YSTA125x8J/F |
65 |
58 |
38 |
8 |
±8 |
227 |
495 |
12 |
288 |
388 |
14 |
5 |
||||
|
150 |
1.0YSTA150x5J/F |
48 |
41 |
27 |
2.5 |
±5 |
300 |
2889 |
20 |
257 |
364 |
Φ159x4.5 |
238 |
338 |
17 |
7 |
|
1.0YSTA150x8J/F |
77 |
65 |
43 |
6.4 |
±8 |
188 |
705 |
23 |
298 |
398 |
18 |
8 |
||||
|
200 |
1.0YSTA200x4J/F |
56 |
47 |
31 |
3.2 |
±5.3 |
288 |
3165 |
39 |
479 |
442 |
Φ219x6 |
244 |
344 |
25 |
17 |
|
1.0YSTA200x6J/F |
84 |
70 |
46 |
7.2 |
±8 |
192 |
9938 |
26 |
298 |
340 |
27 |
20 |
||||
|
250 |
1.0YSTA25〇x4J/F |
63 |
53 |
36 |
4.8 |
±5.3 |
588 |
4371 |
128 |
769 |
497 |
Φ273x8 |
309 |
409 |
38 |
22 |
|
1.0YSTA250xbJ/F |
95 |
80 |
53 |
10.8 |
±8 |
392 |
1295 |
85 |
387 |
487 |
43 |
27 |
||||
|
300 |
1.0YSTA300x4J/F |
65 |
54 |
37 |
6.4 |
±5.3 |
830 |
4444 |
249 |
1105 |
547 |
Φ325x8 |
358 |
458 |
49 |
32 |
|
1.0YSTA300x6J/F |
97 |
82 |
55 |
14 |
±5.8 |
553 |
1371 |
166 |
456 |
556 |
56 |
39 |
||||
|
350 |
1.0YSTA350x4J/F |
72 |
60 |
40 |
6 |
±8 |
840 |
4289 |
309 |
1307 |
607 |
Φ377x10 |
499 |
487 |
73 |
40 |
|
1.0VSTA350X6J/F |
107 |
90 |
51 |
14 |
±8 |
560 |
1431 |
206 |
387 |
599 |
82 |
55 |
||||
|
400 |
1.0YSTA400 x 4J/F |
74 |
62 |
42 |
6 |
±5.3 |
918 |
6199 |
420 |
1611 |
685 |
Φ426x4 |
400 |
500 |
91 |
54 |
|
1.0YSTA400x6J/F |
112 |
93 |
63 |
14 |
±7.8 |
612 |
1837 |
280 |
510 |
610 |
107 |
65 |
||||
|
450 |
1.0YSTA450 x 4J/F |
82 |
69 |
46 |
4.8 |
±5.2 |
690 |
8210 |
379 |
1972 |
735 |
Φ478x10 |
389 |
489 |
111 |
68 |
|
1.0YSTA450x6J/F |
124 |
103 |
68 |
10.8 |
±7.8 |
450 |
2433 |
253 |
489 |
589 |
121 |
78 |
||||
|
500 |
1.0YSTA500x4J/F |
84 |
70 |
47 |
4.8 |
±4.6 |
728 |
9861 |
515 |
2445 |
790 |
Φ529x10 |
415 |
517 |
126 |
82 |
|
1.0YSTA500x6J/F |
126 |
105 |
70 |
10.8 |
±6.9 |
485 |
2922 |
343 |
515 |
615 |
138 |
93 |
||||
|
600 |
1.0YSTA600x4J/F |
86 |
72 |
48 |
4.8 |
±4 |
1468 |
20515 |
1477 |
3534 |
920 |
Φ630x10 |
458 |
558 |
167 |
127 |
|
1.0YSTA6C0x6J/F |
129 |
108 |
72 |
10.8 |
±6 |
978 |
60786 |
985 |
648 |
758 |
181 |
141 |
||||

京公網安備 XXXXXXXXXXXXX