聯系電話:
4006-181-398

產品型號:VB-7000
公稱通徑:DN65~200mm
公稱壓力:PN1.6MPa
適用溫度:0℃~60℃
適用介質:蒸汽、冷水、熱水
產品概述
電動三通調節閥配以電子驅動控制裝置后,能調節蒸汽或冷、熱水的流量。廣泛用于中央空調、采暖、水處理、工業加工行業等系統的流體控制。
產品特點
1、執行器選用鑄鋁支架及塑料外殼,體積小、重量輕。
2、選用永磁同步電機,并帶有磁滯離合機構,具有可靠的自我保護功能。
3、適合多種控制信號:增量(浮點)、電壓(0~10V)、電流(4~20mA)。
4、傳動齒輪采用金屬齒輪,大大提高了驅動器的使用壽命。
5、功耗低、輸出力大、噪音小。
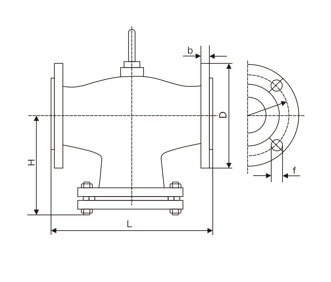
主要外形連接尺寸
| 規格 | L | H | H1 | D | C | K | n-d | 壓差KPa | 重量(kg) | 行程 |
| DN65 | 290 | 158 | 150 | 185 | 20 | 145 | 4-18 | 400 | 23 | 45 |
| DN80 | 310 | 195 | 185 | 200 | 20 | 160 | 8-18 | 400 | 31 | 45 |
| DN100 | 350 | 216 | 205 | 220 | 20 | 180 | 8-18 | 300 | 39 | 45 |
| DN125 | 400 | 237 | 230 | 250 | 22 | 210 | 8-18 | 200 | 66 | 45 |
| DN150 | 480 | 282 | 280 | 285 | 22 | 240 | 8-22 | 100 | 87 | 45 |
| DN200 | 533 | 289 | 340 | 340 | 30 | 295 | 12-22 | 100 | 90 | 45 |

京公網安備 XXXXXXXXXXXXX